Устройство и принцип работы
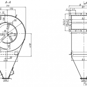
Золоуловитель ЗУ-1,2 – это горизонтальный корпус (циклон) с входным отверстием, через которое поступает дымовой газ и движется между стенками золоуловителя. Твердые частицы, которые выделяются из очищаемого газа, попадают в бункер, а затем очищаются через шибер. Вывод газа из золоуловителя наружу происходит через патрубок в выходное отверстие. Золоуловитель ЗУ может работать при температуре -40 °С до +50 °С. Максимальная температура газов на выходе – до 280 °С.
Условное обозначение
Золоуловитель ЗУ-*, где: З – золоулавливающая; У – установка; * – направление газового потока.
Особенности и преимущества
- Универсальность эксплуатации устройство может быть использовано как в открытых, так и в закрытых помещениях;
- Прочная конструкция обусловлена примитивным принципом работы, что минимизирует риск быстрой поломки; <liБольшая работоспособность, благодаря возможности объединения циклонов в блоки;
- Возможность экономии за счет безотходного производства.
Размещение и установка
Установка золоуловителя ЗУ-1,2 должна производиться специалистами, имеющими опыт работы с аналогичным оборудованием. Устройство может размещаться как в помещении, так и снаружи – непосредственно за котлом или удаленно от него.
Эксплуатация и техническое обслуживание
Устранять неполадки при работе золоуловителя могут только специалисты, которые имеют разрешение на работу с подобными оборудованиями. Эксплуатировать приборы нужно только после теплоизоляции. Очистка золоуловителя должна производиться в охлажденном и проветренном приборе.,/p>

















